電話:0769-23039903 手機:137 2441 0786 郵箱:sales@linearmach.com 地址:東莞市萬江街道壩頭壩新橫一路1號2棟3樓
滾動軸承包括很多種類的軸承,比如深溝球軸承、調心球軸承、推力角接觸球軸承等等都屬于滾動軸承的范圍之內。那么下面我們就來了解下它們各自的優缺點吧。俗話說有軸承的地方就要有支撐點,軸承的內支撐點是軸外支撐就是常說的軸承座。" />
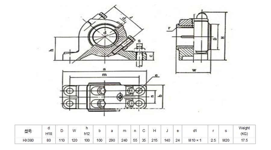
滾動軸承座報價、軸承座價格
滾動軸承包括很多種類的軸承,比如深溝球軸承、調心球軸承、推力角接觸球軸承等等都屬于滾動軸承的范圍之內。那么下面我們就來了解下它們各自的優缺點吧。俗話說有軸承的地方就要有支撐點,軸承的內支撐點是軸外支撐就是常說的軸承座。由于一個軸承可以選用不同的軸承座,而一個軸承座同時又可以選用不同類型的軸承,因此,帶來軸承座的品種很多。對于標準軸承座不同的應用場合,可選擇不同材料的軸承座如:灰口鑄鐵鐵、球墨鑄鐵和鑄鋼、不銹鋼、塑料的特殊軸承座。我們來了解下滾動軸承的分類之一。
深溝球軸承:深溝球軸承結構簡單,使用方便,是生產批量最大,應用范圍最廣的一類軸承。它主要用一承受徑向載荷,也可承受一定的軸向載荷。當軸承的徑向游隙加大時,具有角接觸軸承的功能,可承受較大的軸向載荷。應用于汽車,拖拉機,機床,電機,水泵,農業機械,紡織機械等。

推力球軸承:推力球軸承是一種分離型軸承,軸圈"座圈可以和保持架"鋼球的組件分離。軸圈是與軸相配合的套圈,坐圈是與軸承座孔相配合的套圈,和軸之間有間隙。?推力球軸承只能抽手軸向負荷,單向推力球軸承只能承受一個房間的軸向負荷,雙向推力球軸承可以承受兩個方向的軸向負荷。推力球承受不能限制軸的經向為移,極限轉速很低。單向推力球軸承可以限制軸和殼體的一個方向的軸向位移,雙向軸承可以限制兩個方向的軸向位移。主要應用于汽車轉向機構,機床主軸

調心球軸承:調心球軸承有兩列鋼球,內圈有兩條滾道,外圈滾道為內球面形,具有自動調心的性能。可以自動補償由于軸的繞曲和殼體變形產生的同軸度誤差,適用于支承座孔不能保證嚴格同軸度的部件中。該中軸承主要承受徑向載荷,在承受徑向載荷的同時,亦可承受少量的軸向載荷,通常不用于承受純軸向載荷,如承受純軸向載荷,只有一列鋼球受力。主要用在聯合收割機等農業機械,鼓風機,造紙機,紡織機械,木工機械,橋式吊車走輪及傳動軸上。

根據使用場合不同,可選用無內圈的軸承或滾針和保持架組件,此時與軸承相配的軸頸表面和外殼孔表面直接作為軸承的內外滾動表面,為保持載荷能力和運轉性能與有套圈軸承相同,軸或外殼孔滾道表面的硬度.加工精度和表面和表面質量應與軸承套圈的滾道相仿。此種軸承僅能承受徑向載荷。每一個小分類的軸承的使用范圍都是不一樣的,但是大抵上都是運用在數控機床行業的重要支撐點,當然,每一個小分類的軸承都有每一個小分類軸承的作用,所以,每一個軸承都有它該有的工作和特性,我們要尊重每一個小軸承對于我們工業上的幫助,這樣我們才可以在我們想要的范圍內得到我們能達到的效果。滾動軸承座報價是根據每一個客戶想要產品質量及其產品工作效果來決定的,不是由供應商來決定的,每一個軸承座的價格都是有特定的范圍的,不會盲目的比拼的,所以,如果你要去購買你想要的產品的時候不防想想你是要產品的價格呢,還是更加的在意產品的質量呢。一分價錢一分貨。
本文地址:http://www.xtdj2008.cn/hydt/hydt119.html(轉載請注明文章出處!)