電話:0769-23039903 手機:137 2441 0786 郵箱:sales@linearmach.com 地址:東莞市萬江街道壩頭壩新橫一路1號2棟3樓
" />
精密鎖緊螺母安裝全過程,還有一大軸承干貨知識
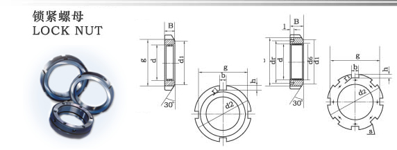
螺母可分為普通螺母和鎖緊螺母,鎖緊螺母是在普通螺母基礎之上增加了鎖緊結構,以達到產品的放松性能。螺母的鎖緊結構種類很多,按其工作原理可分為機械固定的鎖緊結構和增大摩擦力的鎖緊結構,其中增大摩擦力的鎖緊結構根據其鎖緊原理,又可分為有效力矩型緊鎖結構和自由旋轉型鎖緊結構。
機械固定的鎖緊結構:該所及結構是通過輔助的止動零件來限定螺母與外螺紋產品之間的相對轉動,今兒達到防松的效果,此時,要求與螺母相配的外螺紋產品同事也應具有止動結構。該鎖緊結構相對比較復雜,安裝比較繁瑣,止動零件一般也不能重復使用,但它的防松可靠性高。六角開槽螺母或六角皇冠螺母是最常用的機械固定式的鎖緊螺母,其鎖緊結構是螺母圓周方向制有6個均勻分布的止動槽,而配用的螺栓在螺紋端也相應地制有開口銷控;當螺母擰緊后其上制有的止動槽要對準螺栓上的開口銷孔,此時,穿入開口銷將螺紋副進行固定。該種鎖緊結構的可靠性很高,主要用于重要連接的防松。
一、清洗軸承及相關零件
對已經脂潤滑的軸承及雙側具油封或防塵蓋,密封圈軸承安裝前無需清洗。
二、檢查相關零件的尺寸及精加工情況
軸承的安裝應根據軸承結構,尺寸大小和軸承部件的配合性質而定,壓力應直接加在緊配合得套圈端面上,不得通過滾動體傳遞壓力,軸承安裝一般采用如下方法:

a.壓入配合:軸承內圈與軸使緊配合,外圈與軸承座孔是較松配合時,可用壓力機將軸承先壓裝在軸上,然后將軸連同軸承一起裝入軸承座孔內,壓裝時在軸承內圈端面上,墊一軟金屬材料做的裝配套管(銅或軟鋼),裝配套管的內徑應比軸頸直徑略大,外徑直徑應比軸承內圈擋邊略小,以免壓在保持架上。軸承外圈與軸承座孔緊配合,內圈與軸為較松配合時,可將軸承先壓入軸承座孔內,這時裝配套管的外徑應略小于座孔的直徑。如果軸承套圈與軸及座孔都是緊配合時,安裝室內圈和外圈要同時壓入軸和座孔,裝配套管的結構應能同時押緊軸承內圈和外圈的端面。
b.加熱配合:通過加熱軸承或軸承座,利用熱膨脹將緊配合轉變為松配合的安裝方法。是一種常用和省力的安裝方法。此法適于過盈量較大的軸承的安裝,熱裝前把軸承或可分離型軸承的套圈放入油箱中均勻加熱80-100℃,然后從油中取出盡快裝到軸上,為防止冷卻后內圈端面和軸肩貼合不緊,軸承冷卻后可以再進行軸向緊固。軸承外圈與輕金屬制的軸承座緊配合時,采用加熱軸承座的熱裝方法,可以避免配合面受到擦傷。用油箱加熱軸承時,在距箱底一定距離處應有一網柵,或者用鉤子吊著軸承,軸承不能放到箱底上,以防沉雜質進入軸承內或不均勻的加熱,油箱中必須有溫度計,嚴格控制油溫不得超過100℃,以防止發生回火效應,使套圈的硬度降低。關于精密鎖緊螺母的知識就說到這里了,如果想要進一步了解更多關于軸承維護等知識,可以到我們凌納官網上找到你們想要的東西。希望對你們有所幫助。還有很多的知識都需要我們學習的。
本文地址:http://www.xtdj2008.cn/hydt/hydt125.html(轉載請注明文章出處!)